沿著菊島旅行-澎湖自助旅行論壇

標題: 哪裡可以壓克力切割... [打印本頁]

作者: onlyahhy    時間: 2011-12-14 16:59:40     標題: 哪裡可以壓克力切割...

本文章最後由 onlyahhy 於 2011-12-14 17:00 編輯

最近需要做機箱...
想請問馬公或那裡有再切割壓克力的嗎...
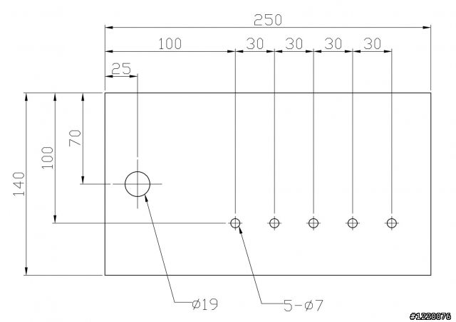
下圖是其中一面...

再問一下...
哪裡有電子材料行...


圖片附件: Front.jpg (2011-12-14 16:57:55, 98.82 KB) / 下載次數 1690
http://139.162.79.90/forum/forum.php?mod=attachment&aid=MjQxMXw4ZjNhZjQ0YnwxNzc4NTYyNTE3fDB8MA%3D%3D


作者: 一筆站長    時間: 2011-12-14 21:01:34


中華路在小郵局附近

有一家廣告社

或許去問一問應該可以問到

甚至請他們處理

他們有在出壓克力廣告版

作者: onlyahhy    時間: 2011-12-14 23:06:08

3Q...
最近在上去問看看...
作者: 吐海@人    時間: 2011-12-14 23:16:06

在中華路上刻石頭的對面
有一間十全廣告她那有大型機器可幫你切割
可去問問看...




歡迎光臨 沿著菊島旅行-澎湖自助旅行論壇 (http://139.162.79.90/forum/) Powered by Discuz! X2